x
S E T A A L U M I N Y U M

1994’ten bu yana inşaat ve elektrik sektöründe faaliyet gösteren Ateş İnşaat, 2025 yılında alüminyum profil üretimine “SETAALUMİNYUM” markasıyla başlamıştır. Kilis’te kurulmuş olan 12.000m2 kapalı, 26.000m2 açık fabrika alanında uzman ve deneyimli ekibi ile gelişmiş son teknoloji makinelerle uluslararası standartlarda üretim yapmaktadır.

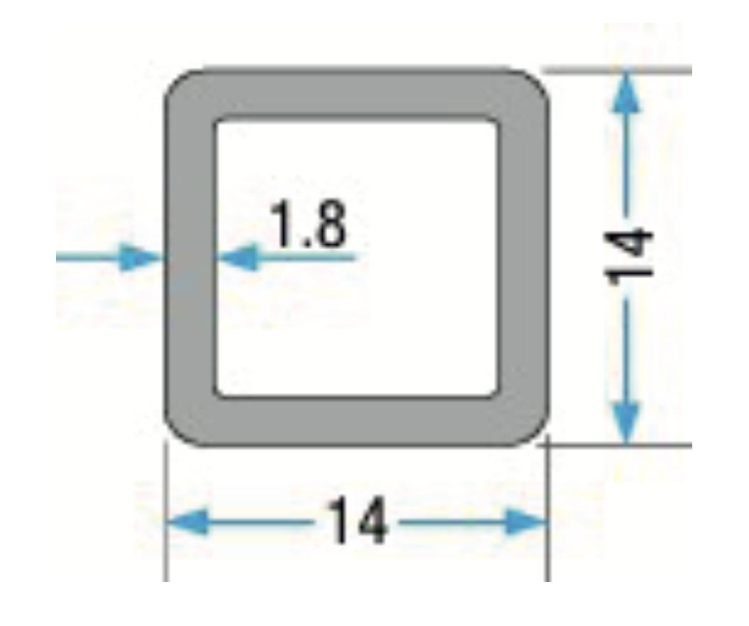
Seta 3029

Ağırlık : 233 ( gr/m)

SETA 3029, 233 gr/m ağırlığı ile 3000 serisinin tamamlayıcı parçalarından biridir. Genelde "Bağlantı Takozu", "Adaptör" veya özel bir "Cam Tutucu" detayı olarak işlev görür. Sistemin ana profillerini birbirine bağlayan veya montaj hatalarını tolere eden ara bir parça olarak kritik öneme sahiptir.

Seta Alüminyum'un hassas üretim anlayışıyla imal edilen bu profil, ana profillerle milimetrik uyum sağlayarak montajın sağlam ve estetik olmasını garanti eder.

Öne Çıkan Özellikler

  • Çözüm Odaklı : Sistemdeki bağlantı ve detay sorunlarını çözer.
  • Hafif ve Sağlam : Küçük boyutuna rağmen görevini başarıyla yapar.
  • Tam Uyum : Ana dikme ve küpeşte profilleriyle entegre çalışır.

Profil Kodu = 3029

Kategori = Küpeşte ve Korkuluk Profilleri

Teorik Ağırlık = 0.233 kg/m

Kullanım Yeri = Detay / Bağlantı

Neden Bu Ürünü SETA Alüminyum Kalitesiyle Almalısınız?

  • Detaylara Önem : Ana profiller kadar detay profillerin de kalitesine önem veriyoruz.
  • Stok Bulunurluğu : İhtiyaç duyduğunuz anda temin edebilmeniz için stoklu çalışıyoruz.
  • Yüzey İşlem : Küçük parçalarda bile eloksal ve boya kalitesinden taviz vermiyoruz.

Proje detayına göre değişmekle birlikte genellikle profilleri birbirine bağlayan adaptör görevi görür.

Evet, paket veya boy bazında satın alabilirsiniz.

Hayır, ana profillerle aynı boya kodunda üretilir.

Bize Yazın

Sorularınızı Hemen Sorun

Projeleriniz, ürün talepleriniz veya iş birlikleri hakkında detaylı bilgi almak için bizimle iletişime geçebilirsiniz. Uzman ekibimiz size en kısa sürede dönüş yapacaktır.

Seta Aluminyum TSE Belgesi

Tse Onaylı

Seta Alüminyum, üretim süreçlerinde kalite ve güveni ön planda tutarak, ürünlerini TSE standartlarına uygun şekilde üretmekte ve belgelendirmektedir.

Seta Aluminyum Katalog

Kataloglarımız

Kataloglarımızda mimariden otomotive, enerjiden savunma sanayine kadar birçok sektöre özel alüminyum profil çözümlerimizi bulabilirsiniz.