x
S E T A A L U M I N Y U M

1994’ten bu yana inşaat ve elektrik sektöründe faaliyet gösteren Ateş İnşaat, 2025 yılında alüminyum profil üretimine “SETAALUMİNYUM” markasıyla başlamıştır. Kilis’te kurulmuş olan 12.000m2 kapalı, 26.000m2 açık fabrika alanında uzman ve deneyimli ekibi ile gelişmiş son teknoloji makinelerle uluslararası standartlarda üretim yapmaktadır.

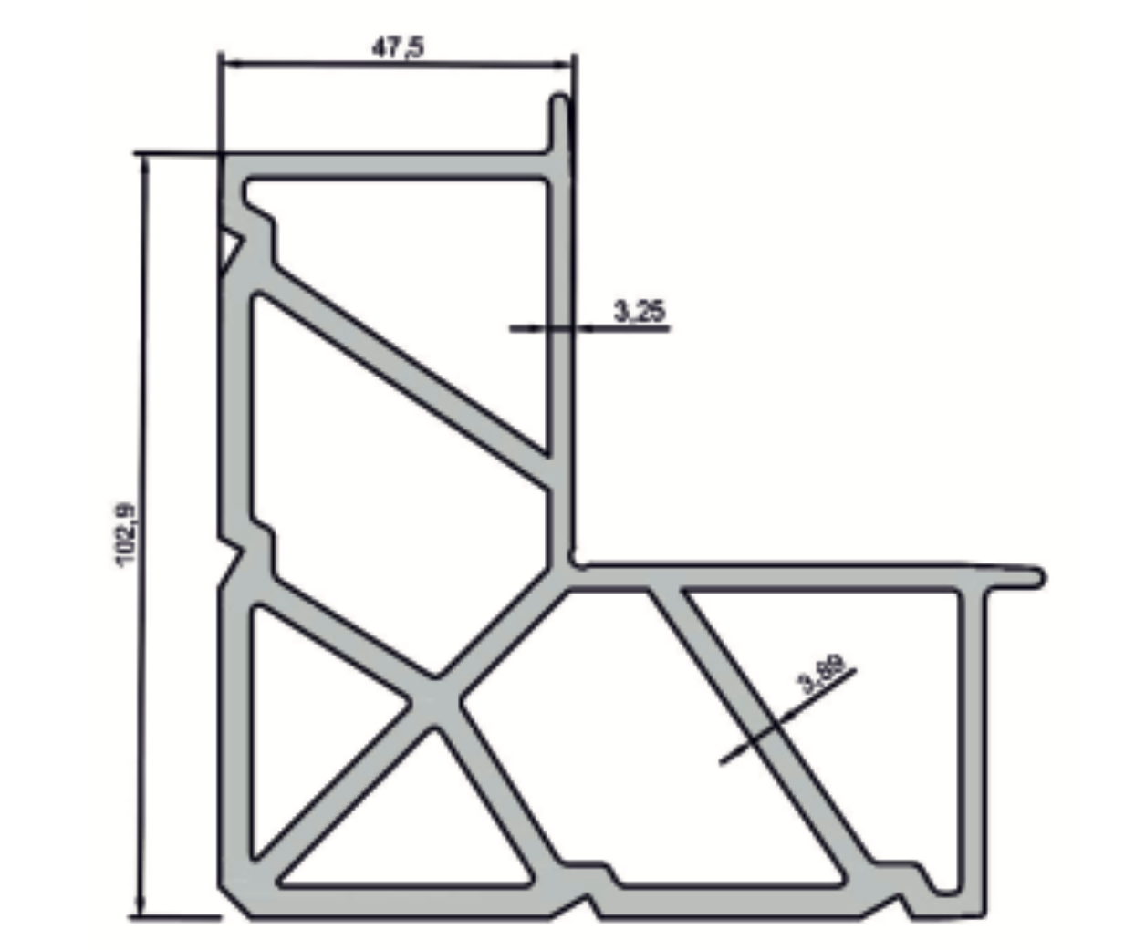
Seta 5017

Ağırlık : 6449 ( gr/m)

SETA 5017, Seta-55 Yalıtımlı Kapı ve Pencere Sistemleri için köşe birleşimlerinde kullanılan, 6.449 kg/m ağırlığında, içi dolu ve yüksek mukavemetli bir takoz profilidir. Büyük ölçekli doğramalarda, köşe açılarının (90 derece) bozulmaması ve kanatların sarkmaması için hayati öneme sahiptir.

6 metre boy halinde üretilen bu profil, atölye ortamında dilimlenerek (pres takozu haline getirilerek) profilin iç odacığına yerleştirilir ve preslenir. Seta Alüminyum'un özel alaşım kalitesi sayesinde sıkıştırma esnasında çatlama yapmaz, profille bütünleşir.

Öne Çıkan Özellikler:

  • Endüstriyel Sağlamlık: 6.5 kg/m'ye yaklaşan ağırlığıyla sistemin en güçlü statik elemanlarındandır.

  • Tam Dolu Yapı: Et kalınlığı çok yüksektir, köşe preslemesinde maksimum tutunma sağlar.

  • Sistem Uyumu: Seta-55 serisinin geniş profil kesitlerine (iç boşluklarına) tam uyacak şekilde tasarlanmıştır.

Profil Kodu = 5017

Kategori = Seta-55 Yalıtımlı Sistemler

Teorik Ağırlık = 6.449 kg/m

Kullanım Yeri = Köşe Birleşimi / Takoz

Neden Bu Ürünü SETA Alüminyum Kalitesiyle Almalısınız?

  • Orijinal Parça: Sistemin uzun ömürlü olması için yan sanayi değil, orijinal Seta bağlantı profillerini kullanmanızı öneriyoruz.

  • Üretim Teknolojisi: Homojen iç yapısı sayesinde kesildiğinde hava boşluğu çıkmaz, fire vermez.

  • Stok Gücü: Projelerinizde aksama yaşamamanız için bu ağır profilleri sürekli stoğumuzda bulunduruyoruz.

Ağırlıkları (6.449 kg vs 6.761 kg) ve ebatları farklıdır. Hangi ana profilin (kasa/kanat) içine girecekse, onun iç ölçüsüne uygun olan takoz seçilir.

Testere ile istenilen genişlikte (örn: 25mm, 40mm) dilimlenir ve köşe pres makinesinde sıkıştırılarak kullanılır.

Profil yapısı dolu olduğu için matkapla delik açılarak pimli veya vidalı bağlantı yapılabilir ancak asıl kullanım amacı prestir.

Bize Yazın

Sorularınızı Hemen Sorun

Projeleriniz, ürün talepleriniz veya iş birlikleri hakkında detaylı bilgi almak için bizimle iletişime geçebilirsiniz. Uzman ekibimiz size en kısa sürede dönüş yapacaktır.

Seta Aluminyum TSE Belgesi

Tse Onaylı

Seta Alüminyum, üretim süreçlerinde kalite ve güveni ön planda tutarak, ürünlerini TSE standartlarına uygun şekilde üretmekte ve belgelendirmektedir.

Seta Aluminyum Katalog

Kataloglarımız

Kataloglarımızda mimariden otomotive, enerjiden savunma sanayine kadar birçok sektöre özel alüminyum profil çözümlerimizi bulabilirsiniz.

Diğer Ürünleri Keşfet

Detaylarda Güç Saklı! Diğer Ürünlerimize Göz Atın.

Benzer Ürünler bölümümüzde, ihtiyaçlarınıza uygun farklı profil seçeneklerini keşfedin. Fonksiyonel, estetik ve dayanıklı çözümlerle projelerinize en uygun alternatifi sunuyoruz.